Der FKG- Roboter

FORPHYS- Mess- Interfaces

Forschendes Lernen im Physik-UR

Würzburger Quanten- physik- Konzept

Grundfakten der Quanten- physik

Materialien Physik-UR

Physika- lische Analysen

Im- pres- sum

Kommen- tare und Wünsche

© Horst Hübel Würzburg 2005 - 2014

Das Rätsel der unterschiedlichen Resonanzkurven beim elektromagnetischen Schwingkreis (Parallelresonanzkreis)

L-Messung durch die Resonanzfrequenz?

Haben Sie sich nicht auch schon gewundert, dass in manchen Schulbüchern Resonanzkurven beim elektromagnetischen Schwingkreis mit ganz unterschiedlichem Verlauf abgebildet sind, auch wenn es sich immer um einen Parallelresonanzkreis handelt?

Haben Sie sich nicht auch schon gefragt, warum Messungen der Induktivität L mit unterschiedlichen Methoden ganz unterschiedliche Ergebnisse liefern? Übliche Verfahren der L-Messung in der Schule sind

Wegen seiner Einfachheit wird in der Schule meistens das Verfahren b) angewandt. Wann ist das eine gute Wahl?

Bei mechanischen Schwingungen wurden ähnliche Fragen anderswo untersucht [ZIP-Datei mit Handbuch (und Programm)].

Im Folgenden soll ein elektromagnetischer Schwingkreis mit vernachlässigbarer (innerer) Dämpfung untersucht werden. Dabei wird der Schwingkreis durch Ankopplung an einen Funktionsgenerator zu erzwungenen Schwingungen angeregt. Dabei ist klar, dass wegen der quadratischen Beziehung L·C = 1/ω02 ein Fehler in der Resonanzfrequenz einen doppelt so großen Fehler in der L-Messung zur Folge hat.

Es sollen verschiedene Kopplungsarten durchgespielt werden. In den Schulbüchern ist meistens induktive Kopplung (Abb. 1) zu finden, vielleicht mit der Idee, dass dabei Schwingkreis und Erreger weitgehend getrennt erscheinen, so dass der Schwingkreis als eigenständiges Gebilde, sozusagen wie ein freier elm. Schwingkreis betrachtet werden kann. Dieser Fall soll als erster theoretisch untersucht werden. Ist die Idee haltbar?

Die Theorie  zu vier Kopplungsarten wird im Anhang mit zwei unterschiedlichen Methoden durchgerechnet: Die erste Schaltung wird mit Hilfe eines Systems gekoppelter Differentialgleichungen behandelt, die weiteren mit Hilfe von komplexen Widerständen. Dabei gilt für die Spule ZL = i·ω·L und für den Kondensator ZC = - i/ω·C). Durch die imaginäre Einheit i werden Phasenverschiebungen zwischen Strömen und Spannungen berücksichtigt.

Die Ergebnisse waren für mich einigermaßen überraschend!

Für mechanische Schwingungen wurde Resonanz bei den verschiedenen Kopplungsarten bereits anderswo untersucht.

´

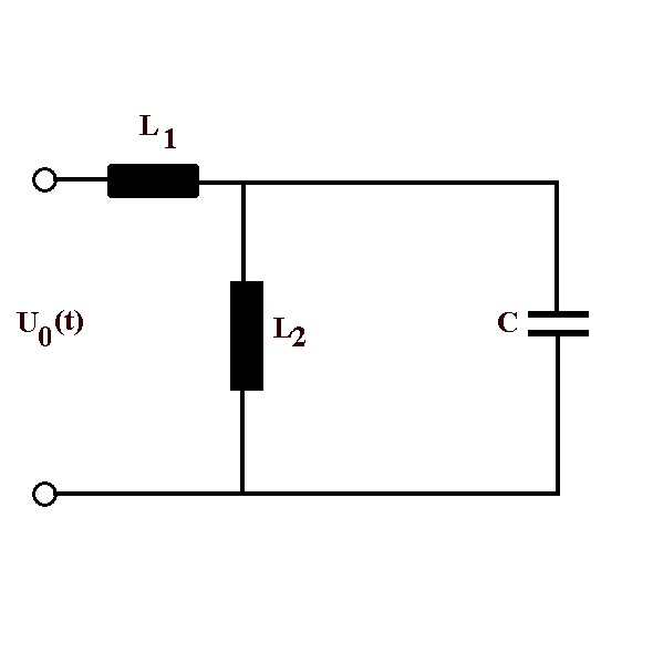
Abb. 1: Induktive Kopplung

Abb. 1: Der Generator soll eine Spannung U0(t) liefert, für die wir den Ansatz machen: U0(t) = U00 exp (i(ω t-δ)). δ soll dabei eine mögliche Phasenverschiebung zwischen den Stromstärken und der Generatorspannung sein. Um die Schreibweise zu vereinfachen, schlagen wir die Phasenverschiebung δ zur Generatorspannung hinzu. Eine Rechnung, die Sie im Anhang A  nachlesen können, liefert dabei das Ergebnis der Abb.1a für die Resonanzkurve:

Für kleine Frequenzen verhält sich die Spannung an der Spule 2 (UL0) wie ω2, für sehr große Frequenzen strebt der Betrag der Spannung gegen eine Konstante U00 √L2/L1 k/(1 - k2) . k ist dabei eine Abkürzung, die mit der Gegeninduktivität M = k √ L1·L2 zusammenhängt. k misst sozusagen die Kopplung zwischen beiden Stromkreisen. L2 ist die Induktivität des Schwingkreises, L1 die der Kopplungsspule. Die Frequenz der Spannungssingularität ist gegenüber ω0 = 1/√ L2·C  erhöht: ωmax2  = ω02 1/(1 - k2).

Nur bei sehr schwacher Kopplung (k << 1) ist diese Verschiebung vernachlässigbar.

Der asymptotische Wert der Schwingkreisspannung ist bei k = 0,1 ca. 10 % von U00√L2/L1 , wobei U00 die Generatorspannung ist. Bei reiner Transformation hätte man U00 √L2/L1 erwartet.

Abb. 1a: Die Resonanzkurve entspricht beim mechanischen Pendel der Beschleunigungskopplung (wie beim Seismographen). Da in fast allen Fällen hier eine Dämpfung außer acht gelassen wird, wird als Stelle des "Maximums der Schwingkreisspannung" die Frequenz der Polstelle verwendet.

Bei k = 0,1 ergibt sich ωmax  = ω0·1,005, also recht brauchbar. 5% Fehler in der Resonanzfrequenz entsprechen bei der L-Messung einem Fehler von ca. 10%.

Siehe Theorie: Anhang A

In den folgenden drei Fällen ist die Theorie deutlich einfacher, weil es naheliegend ist, mit komplexen Widerständen zu arbeiten (Anhang B). Das asymptotische Verhalten ist auch ohne die Theorie, also elementar, zu erschließen (siehe Anhang C). Wenn es die Sache Wert wäre, könnten das auch Schüler durchführen.

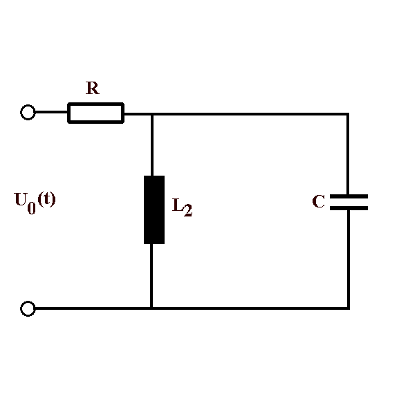
Abb. 2: galvanische Kopplung

Abb. 2: Für rein galvanische Kopplung ergibt sich eine Resonanzfrequenz (mit endlicher Spannung) genau bei der Eigenfrequenz ω0 des Schwingkreises.

Für kleine Frequenzen ω wächst die Schwingkreisspannung linear an, für sehr große Frequenzen fällt sie mit 1/ω.

Die maximale Spannung kann die Generatorspannung nicht überschreiten. Das Maximum liegt gerade da, wo sich die beiden Ströme im Schwingkreis gegenseitig aufheben (oder anders: wo ein reiner Kreisstrom fließt). Dann ist R stromlos, es kann kein Spannungsabfall an R entstehen und es kann keine weitere Energie vom Generator geliefert werden, die die Amplitude ansteigen ließe.

Abb. 2a: Die Resonanzkurve entspricht beim mechanischen Pendel der Geschwindigkeitskopplung.

(siehe auch Abb. 7a,b mit Resonanzkurven nach der Theorie)

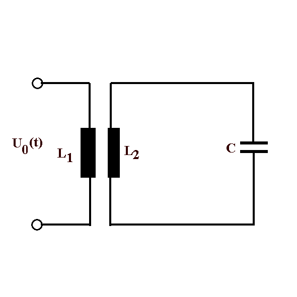
Abb. 3: induktiv-galvanische Kopplung

Abb. 3: Diese Art der induktiven Ankopplung ist relativ unüblich.

Die Schwingkreisspannung geht für wachsendes ω von einem endlichen Wert aus (der im Grenzfall schwacher Kopplung U00 ist), und fällt für ω => unendlich wie 1/ω2. Die maximale Spannung bei ω = ω0   √ (1 + L2/L1) ist je nach Verhältnis der Induktivitäten zu höheren Frequenzen verschoben.

Wenn k = L1/L2 = 0,1 ist, beträgt der asymptotische Wert der Schwingkreisspannung  ca. 90 % der Generatorspannung. Die Frequenz des Spannungsmaximums ist - je nach dem Verhältnis der Induktivitäten - evtl. ein Vielfaches größer als die "Idealfrequenz"  ωo .

Das ist wohl einer der Gründe, weshalb diese Schaltung zum Zweck der L-Messung nicht eingesetzt wird.

Abb. 3a: Die Resonanzkurve entspricht beim mechanischen Pendel der Aufhängungskopplung, also der Situation, wo der Aufhängepunkt des Federpendels periodisch auf und ab bewegt wird. Wenn Schulbücher Resonanz in der Mechanik behandeln, wählen sie in der Regel diesen Fall aus. Siehe Theorie.

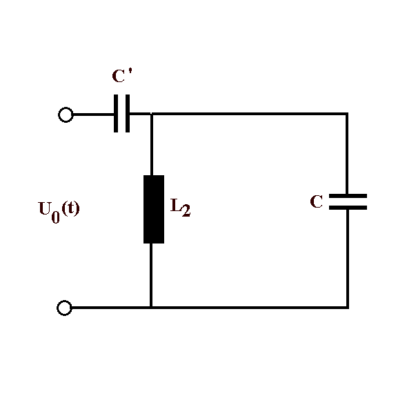
Abb. 4: kapazitive Kopplung

Abb. 4: Bei kapazitiver Kopplung wächst die Spannung bei kleinen Frequenzen zunächst wie ω2. Für sehr große Frequenzen fällt sie auf einen konstanten Wert U0 k/(1+k). Für schwache Kopplung ( k = C'/C << 1) nähert sich dieser Wert Uo. Die maximale Spannung ist (für kleine Kopplung nur leicht) zu niederen Frequenzen verschoben.

Verwendet man z.B. C = 1 µF und C' = 0,1 µF, also k = 0,1, ist  ωmax ca. 5 % kleiner als die "Idealfrequenz"  ωo = 1/√(L2·C):  ωmax =  ωo·1/√(1 + k). (Der asymptotische Wert der Schwingkreisspannung ist ca. 9 % der Generatorspannung.)

Abb. 4a: Die Resonanzkurve entspricht beim mechanischen Pendel ebenfalls der Beschleunigungskopplung (wie beim Seismographen). Vgl. mit Ergebnis der Theorie.




Zusammenfassung:

1. Das oft erwünschte Ziel, für die Schule eine maximale Spannung am Schwingkreis bei einer Kreisfrequenz zu erhalten, die mit  ω0 = 1/√ L2.C übereinstimmt, lässt sich nur dann erreichen, entweder

a) exakt, wenn reine galvanische Kopplung mittels eines Widerstands R vorliegt (R sollte dann möglichst groß sein), oder

b) näherungsweise, wenn die Kopplung sehr schwach ist, bzw. wenn die Kopplungsgrößen (C') klein sind im Vergleich zu den entsprechenden Schwingkreisgrößen (C) bzw. wenn L1 >> L2 (Abb. 3). Im Fall der induktiven Kopplung  nach Abb. 1  sollte durch räumlichen Abstand der zwei Spulen die Gegenkopplung k = M/√ L1·L2 klein gemacht werden.

2. Der unterschiedliche Verlauf der Resonanzkurve hängt von der Ankopplung des Erregers ab. Je nach Kopplungsart hat die Resonanzkurve unterschiedliches Verhalten für kleine und sehr große Kreisfrequenzen ω. Das sollte m.E. in der Schule nicht diskutiert werden. Für die Schule besteht hier der Ausweg, diese Grenzfälle nie zu erwähnen, und eine Resonanzkurve nur in der Nähe der Resonanz zu zeichnen und diskutieren zu lassen. In Schulbüchern wird in der Regel die falsche Resonanzkurve zur verwendeten Kopplungsart angegeben.

3. Bei der induktiven Kopplung nach Abb. 3 muss man besonders vorsichtig sein. ωmax   nahe  ω0  = 1/√ L2·C  erhält man nur, wenn L1 >> L2 !

4. Für die Messung von L mittels der Resonanzfrequenz eines Schwingkreises ist am besten galvanische Kopplung geeignet, weil bei ihr die Resonanzfrequenz genau mit der Thomson-Formel übereinstimmt (bei fehlender interner Dämpfung).

Bemerkung: Eine Dämpfung des Schwingkreises durch einen zusätzlichen internen ohmschen Widerstand ist hier gänzlich vernachlässigt. Sie führt zu einer zusätzlichen - häufig geringen - Verschiebung der Frequenz für das Maximum der Schwingkreisspannung.


Anhänge

A Theoretische Überlegungen zur ersten Schaltung (Abb. 1; induktive Kopplung):

a) Hier liegen zwei Kreise vor: Kreis 1 mit dem Funktionsgenerator, der die Spannung U0(t) = U00 exp (i(ω t+δ)) liefert und der Schwingkreis, der die Nummer 2 erhält. Nach der Maschenregel gilt für Kreis 1:

(1) U0(t) = R·I1 + L1·dI1/dt + M·dI2/dt        

L1·dI1/dt und  M·dI2/dt   kommen durch Selbstinduktion in Kreis 1 und Gegeninduktion von Kreis 2 zustande. Die eigentlichen Induktionsspannung hätten umgekehrtes Vorzeichen und hätten links eingeordnet werden müssen. Die Gegeninduktivität M  ist symmetrisch in beiden Induktivitäten (Kreis 1 wirkt auf Kreis 2 und umgekehrt), also ist der Ansatz  M = k √ L1·L2 üblich, wobei 0 <= k <= 1 gilt. Mittels der Gegeninduktion wirkt der Schwingkreis 2 zurück auf den Kreis 1.

(2)  0 = Q2/C + L2·I2*+ M·I1*    (* soll die erste Ableitung nach der Zeit kennzeichnen).

Wieder spielt die Gegeninduktivität eine Rolle, weil der Kreis 1 auf den Schwingkreis 2 mit der Gegeninduktion einwirkt. Zeitableitung bewirkt

(2') 0 = I2/C + L2·I** + M·I1**   (** soll die zweite Ableitung nach der Zeit kennzeichnen).

Es handelt sich um ein gekoppeltes lineares Gleichungssystem mit konstanten Koeffizienten. Da wir nicht den Einschwingvorgang beachten wollen, genügt uns eine spezielle Lösung dieses inhomogenen Gleichungssystems, die wir durch die Ansätze

I1(t) = I10 · exp(i·ω·t)            und                I2(t) = I20 · exp( i·ω·t)

erhalten. Der zeitabhängige Faktor fällt dann auf beiden Seiten der Gleichungen heraus und es folgt:

(1") U00 exp(-iδ) =   i·ω·L1·I10 + i·ω·M·I20

(2")               0     =  I20 /C  -  ω2·L2·I20   -  ω2·M·I10

Wir erhalten:             I10 = I20 ( 1/MCω2  - L2/M )   = I20 L2/M ( 1/L22  -  1)  = I20 L2/M ( ω022   -  1)

eingesetzt in (1"):   U00 exp(-iδ) =  i·ω·L1L2/M I20 ( ω022   -  1)   + i·ω·M·I20  also

U00 exp(-iδ) = i·ω· M·I20 ·[ L1L2/M( ω022   -  1)  + 1 ] = i·ω · M·I20 · [ 1/k( ω022   -  1)  + 1 ]

Die rechte Seite der Gleichung ist rein imaginär, also wegen exp(-iδ) = cos δ - i sin δ

U00 sin δ  = - I20 · ω · [ L1 ( 1/MCω2   - L2/M ) + M ]

Es folgt

cos(δ) = 0 , also  δ = +/-900  und  sin  δ = +/-1  , also für den Betrag  /U00/  = / M·I20 ·ω· [ 1/k( ω022   -  1)  + 1 ]  / und

also I20 =  / U00 1/ω  1/(M[ 1/k 2( ω022   - 1 ) + 1 ]) /  

Damit dann (bis auf das Vorzeichen)

UL0 = iω·L2·I20 =  iω·L2 · U00 /  (ω·M[ 1/k 2( ω022   - 1 ) + 1 ]) =  i·L2·L1/ML1 U00 / [ 1/k 2( ω022   - 1 ) + 1 ] =  i √L2/L1 · U00 · k / [ ( ω022   - 1   + k2 ]

Uns interessiert nur der Betrag davon:

/UL0/ =   √L2/L1 · U00 · k / [ ( ω022   - 1   + k2 ] /

Der Betrag der Schwingkreisspannung ist maximal, wenn der Nenner verschwindet, also, wenn

ω022    =  ( 1 - k2)

bzw., wenn  ω2   =  ω02 1/(1 - k2).  Das Maximum wird also leicht zu größeren Frequenzen verschoben.

Zu Abb. 1, 5: Induktive Kopplung

Für ω => 0 gilt näherungsweise UL0 =    i  U00 √L2/L1 k ω202  , d.h.,  die Schwingkreisspannung wächst für kleine ω quadratisch mit ω·

Für ω => unendlich überlebt im Nenner nur (1 - k2), also gilt näherungsweise /UL0/ =   /U00/ √L2/L1  k/ (1 - k2)

Der Betrag von ULO strebt einem konstanten Wert mit dem Betrag /U00/ √L2/L1 k/ (1 - k2) zu. Nur für sehr kleine k ist dieser Wert nahezu 0.

Die maximale Schwingkreisspannung kann die Generatorspannung weit überschreiten.

(blaue Kurve: k = 0,1; rote Kurve k = 0,2; L1 = L2)

Abb. 5: Berechnete Resonanzkurve bei induktiver Kopplung


Anhang B Untersuchung mit komplexen Widerständen

b) Bei den folgenden Ableitungen sind induktiver Widerstand ZL = i·ω·L2 und kapazitiver Widerstand ZC = - i/(ω·C) parallel geschaltet. Wir erhalten für den komplexen Schwingkreiswiderstand ZS:

1/Zs =  1/(iωL2)  + i ωC  = i (- 1 + ω2 L2C ) / (ωL2)  = i (ω2/ ω02 - 1) / (ωL2)      

Dieser Widerstand Zs ist in Reihe geschaltet mit ZL1, R oder ZC'.

(1b) Zges = iωL1 + Zs

(induktiv-galvanisch)

............... (1c) Zges = R + Zs ...... (galvanisch)

(1d) Zges = -i/(ωC') + Zs
(kapazitiv)

Wenn X der Reihe nach der komplexe Widerstand des jeweiligen Kopplungsglieds ist, erhalten wir für die Schwingkreisspannung  jeweils

UL = U0 Zs/Zges  =   U0/ (1 + X/Zs) = U0/ [ 1 + i·X·(ω2/ ω02 - 1) / (ωL2) ]

Der Gesamtwiderstand ist in den zwei Fällen (1b) und (1d) rein imaginär. Sein Betrag kann bei einer bestimmten Kreisfrequenz ωmax  verschwinden. Dort wird die Amplitude der erzwungenen Schwingung über alle Grenzen wachsen, wenn ein interner ohmscher Widerstand im Schwingkreis vernachlässigt wird. Das geschieht, wenn

(1b) /Zges/ =  ωL1 + ωL2 /(ω2/ ω02 - 1) = ( ωL12/ ω02 - 1)  + ωL2 ) /(ω2/ ω02 - 1) = ω L1 ( ω2/ ω02 - 1 + L2/ L1 )/ (ω2/ ω02 - 1) = 0, wenn also

ω2/ ω02 - 1 + L2/ L1 bzw.  ω2  = ω02  ( 1 - L2/ L1) , also, wenn ωmax = ω0 √ ( 1 - L2/ L1) = ω0 √1 - 1/k  , wobei  k = L1/L2

(1c) /Zges/ =  -1/(ωC') + ωL2 /(ω2/ ω02 - 1) = ωL2 ( - C/(ω2C'CL2) + 1/(ω2/ ω02 - 1) = ωL2 ( - C/C' ω0222/ ω02 - 1)  + 1 ) / (ω2/ ω02 - 1) = 0 , wenn also

ω022 = 1 + C'/C  bzw.  ωmax = ω0 √ 1/(1+k)   , wobei k = C'/C

Bei galvanischer Kopplung verschwindet der komplexwertige Gesamtwiderstand an keiner Stelle.


.

1. Fall induktiv-galvanische Kopplung(Abb. 3):

Dann gilt (2b) X = i·ω·L1 und

UL = U0/ [ 1 - ωL12/ ω02 - 1) / (ωL2) ] = U0/ [ 1 - L1 /L22/ ω02 - 1) ] , also für den Betrag

/UL / = / U0/ [ 1 + k - k (ω2/ ω02  ) ] /

mit  k = L1/L2

Maximale Schwingkreisspannung ergibt sich, wenn der Nenner verschwindet, wenn also 1 + k = k (ω2/ ω02)  => (ω2/ ω02 ) = 1/k + 1 => ω2 =  ω02·(1/k + 1 ) . Wir erhalten also

ωmax = ω0   √ (1 /k + 1)

 Für ω => 0 strebt UL gegen U0/( (k  + 1 ) , UL und U0 schwingen in Phase. Für ω => unendlich dagegen verhält sich UL  wie - U0 1/k  ω02/ ω2 . UL  ist jetzt gegenphasig zu U0 . Der Betrag fällt mit 1/ω2 gegen 0.


2. Fall kapazitive Kopplung (Abb. 4):

Zu Abb. 4, 6: Kapazitive Kopplung

UL = U0/ (1 + i·X·(ω2/ω02 - 1) / (ωL2) )    mit

(2d) X = -i/ωC'

Zur Abkürzung führen wir noch k = C'/C ein. Also:

UL =   U0/ (1 + (ω2/ ω02 - 1) / (ω2L2C') = U0/ (1 + (ω202 - 1) / (ω2/ ω02 C'/C ) = U0/ (1 + C/C' -  ω02/ ω2 C/C') = U0C'/C / (C'/C + 1  -  ω02/ ω2 ), also

/UL / =  /U0 k / (1 + k -  ω02/ ω2 )/

Maximale Schwingkreisspannung ergibt sich, wenn der Nenner verschwindet, wenn also 1 + k = ω02/ ω2  bzw.  ω2 = ω02/(1 + k), also ωmax = ω0√1/(1 + k). Das Maximum ist zu kleineren Frequenzen verschoben.

Für ω => 0 verhält sich UL wie - U0 k  ω2/ ω02 . UL und U0 schwingen also gegenphasig. Der Betrag von UL wächst damit mit ω2.

Für ω => unendlich  strebt UL gegen U0 k / (1 + k)

Die maximale Spannung kann die Generatorspannung weit überschreiten.

(blaue Kurve: k = C'/C = 0,1; rote Kurve k = 0,2)

Abb. 6: Berechnete Resonanzkurve bei kapazitiver Kopplung


3. Fall galvanische Kopplung (Abb. 2):

UL = U0/ (1 + i·X·(ω2/ ω02 - 1) / (ωL2) ) mit  (2c)  X = R

Es ergibt sich

UL = U0/ (1 + i R (ω2/ ω02 - 1) / (ωL2) ) = U0  / ( 1 + i R (ω2/ ω02 - 1)/ωL2 mit dem Betrag

/UL/ = /U0 ( 1 + R22/ ω02 - 1)22L22 ) -1/2 /  = /U0  [ 1 + R2/L22 (ω / ω02 - 1/ω)2 ] -1/2 /  = /U0   [ 1 + R2C2/(C2L22) (ω / ω02 - 1/ω)2 ] -1/2 / , also

/UL/ = /U0  [ 1 + ω04· τ2 / ω02 - 1/ω)2 ] -1/2 /       ,          wobei  τ = R·C

Für ω => 0 verhält sich /UL/  wie /U0/ [ R2/L222 ] -1/2  = /U0/ L2 / R ω  =  /U0/ ω/(τ·ω02), wächst also linear mit ω.

Für ω =>unendlich verhält sich /UL/  wie /U0/  [ R2/L22 / ω02 )2 ] -1/2  = /U0/  L2 / R  ω02  / ω =  /U0/  1/( τ·ω ), fällt also mit 1/ω gegen 0 ab.

Es gibt offenbar keine Stelle, wo der Nenner 0 wird.  1 + R2/L22 (ω / ω02 - 1/ω)2 > 0  . Es könnte ein relatives Maximum vorliegen. Also:

d/ UL/  dω =  /U0/ (-1/2)  [ 1 + R2/L22 / ω02 - 1/ω)2 ] -3/2 · (R2/L22  2 (ω / ω02  - 1/ω) (1/ω02 + ω-2 ) = 0, wenn ω / ω02 =  1/ω, bzw. ωmax 2 = ω02 .

Durch den Ohmschen Widerstand R ist diese R-L-C-Kombination gedämpft. Es gibt ein endliches Maximum bei der Eigenfrequenz des Schwingkreises! Bei kleinem Widerstand zwingt der Funktionsgenerator dem Schwingkreis seine Schwingung zu stark auf, und eine Resonanz ist nicht mehr erkennbar.

Zu Abb. 2, 7: Zwei verschiedene Resonanzkurven bei galvanischer Kopplung: τ = R·C = 1 ms.

Um eine scharfe Resonanzkurve zu erhalten, sollte der Schwingkreis möglichst schwach an den Frequenzgenerator angekoppelt sein: möglichst großer Kopplungswiderstand (hier C = 1 µF, R = 1000 Ohm => τ = 1 ms).

Die maximale Schwingkreisspannung kann die Generatorspannung nicht überschreiten.

τ = 0,1 ms (hier C = 1 µF, R = 100 Ohm => τ = 0,1 ms)

Hier ist der Kopplungswiderstand zu klein. Er entzieht dem Schwingkreis zuviel Energie. Der Funktionsgenerator zwingt dem Schwingkreis zu stark seine eigene Amplitude auf.

Abb. 7: Berechnete Resonanzkurven bei galvanischer Kopplung


C Elementare Überlegungen

b) Zu Abb. 2, 7 (galvanische Kopplung)

Für kleine Frequenzen strebt der komplexe Widerstand der Spule iωL2 gegen 0. Es ist also eine kleine Spannung am Schwingkreis zu erwarten. Die Schaltung wirkt als Spannungsteiler und es bildet sich am Schwingkreis eine Spannung iωL2 / (R + i ωL2 ) aus. Der Betrag ist U0ωL2 1/√(R2 + ω2L2 2) = U01/√(R2 / ω2L2 2 + 1).

Für ω =>0 ist die 1 im Nenner vernachlässigbar und UL0 verhält sich wie U0 ωL2/R, wächst also mit ω linear an.

Für sehr große ω dagegen verhält sich die Schaltung wie eine Spannungsteilerschaltung von R und -i/ωC.  /UL0/ verhält sich also wie U0 1/ωC/√(R2+1/ω2C2) =  U0 1/√(R2ω2C2 + 1 ) = U0 1/(RωC), strebt also wie 1/ω gegen 0.

c) Zu Abb. 3, 5 (induktiv-galvanische Kopplung):

Bei kleinen Frequenzen ist der kapazitive Widerstand von C sehr groß im Vergleich zu den induktiven Widerständen von L1 und L2. De facto liegt für kleine Frequenzen eine Spannungsteilerschaltung mit zwei Spulen vor. Die Eingangspannung U0 wird im Verhältnis von ωL2/ω(L1+L2) = 1/(1+k)   (k = L1/L2): horizontale Asymptote bei dieser Spannung.

Bei sehr großen Frequenzen ist im Schwingkreis der kapazitive Widerstand -i/ωC sehr klein im Vergleich zum induktiven Widerstand iωL2. Es gilt wieder das Argument der Spannungsteilerschaltung. Am Schwingkreis entsteht eine Spannung U0 -i/ωC / iωL1= U0 ω02 / ω2 L2/L1 . Die Schwingkreisspannung fällt wie 1 /ω2 auf 0.

d) Zu Abb. 4, 6 (kapazitive Kopplung):

Bei großen  Frequenzen überwiegt der induktive Widerstand iωL2 der Schwingkreisspule. Die Spannungsteilerschaltung besteht aus den kapazitiven Widerständen -i/ωC' und -i/ωC. Es bildet sich eine Schwingkreisspannung aus, die sich bei großen Frequenzen verhält wie U0 1/C / (1 /C + 1/C') = U0 C'/( C + C') = U0 k/(1 + k ), wobei k = C'/C.

Bei sehr kleinen Frequenzen dominiert der kleine induktive Widerstand iωL2  den Schwingkreiswiderstand. UL0 verhält sich wie U0 iωL2 / ( iωL2 -i/ωC') = U0 L2 / ( L2 -1/ω2C'). Der Betrag davon verhält sich wie U0 L2 ω2C' = U0 L2C ω2 C'/C = U0 ω202   C'/C , wächst also mit ω2.

.

.

.

.

( Sonderzeichen korrigiert, Überschriften eingefügt 2014)

( März 2016 : Formatierungsfehler beseitigt )