Startseite FORPHYS

Didaktogene Lernschwierigkeiten im Physik-UR

Anschauliche Mechanik  

Elektrischer Stromkreis 

 Schüler- versuche

Physik Lernen mit dem Computer

 Meta- Physika- lisches

Im- pres- sum

Kommentare und Wünsche

© Horst Hübel Würzburg 2005 - 2017

Vom Igel-Modell des magnetischen Felds und anderen Abstrusitäten

Wie würden Sie reagieren?

Schüler legen Ihnen folgende Fragen vor:

(Fragen mehr oder weniger aus der Schulpraxis)

1. Es wird gesagt, dass in einem bewegten Stab eine Spannung induziert wird, "wenn der Stab bei seiner Bewegung magnetische Feldlinien schneidet". Wenn man sich die Feldlinien als Stachel vorstellt (Bild nach Gerthsen, Physik, 1962), scheint das klar zu sein.

Solche Feldlinien sind aber nur gedachte Gebilde. Woher 'wissen' die Elektronen in dem Stab, dass sie eine Lorentz-Kraft erfahren sollen, wenn sich der Stab durch ein homogenes Magnetfeld bewegt? Zu jedem Zeitpunkt 'verspüren' die Elektronen im Stab dasselbe unveränderte Magnetfeld. Woher wissen sie überhaupt, dass sie bewegt sind?

Ich kann diesen Versuch überhaupt nicht verstehen!

2. Eine leitende Rechtecksschleife werde über einen Schenkel eines Hufeisenmagneten gestülpt und hin und her geschoben. Man kann davon ausgehen, dass von den 4 Seiten des Rechtecks nur eine (a) sich im Magnetfeld  befindet, nämlich in einem idealisiert homogenen Magnetfeld.

Einerseits wirkt auf die Elektronen in der Seite (a) eine Lorentz-Kraft. Die Folge sollte also eine Induktionsspannung und ein Induktionsstrom sein.

Andererseits sollte nach dem Induktionsgesetz eine solche Induktionsspannung nur auftreten, wenn sich innerhalb der geschlossenen Leiterschleife der magnetische Fluss ändert. Ich kann hier aber nirgends einen magnetischen Fluss erkennen, der die Rechtecksfläche senkrecht durchsetzt und der sich zeitlich ändert. Es sollte danach also keine Induktion geben. Ist das Induktionsgesetz hier nicht anwendbar?

3. Ich glaube eher dem Argument mit der Lorentz-Kraft, also, dass im Beispiel 2 eine Induktionsspannung entsteht.

Wenn man jetzt aber über die Rechtecksseite (a) ein Röhrchen aus Mue-Metall oder ein dickes Eisenrohr schiebt, dann wird das Magnetfeld abgeschirmt. Man kann dann bei genügender Wandstärke sicher mit der Hall-Sonde nachmessen, dass sich die Seite (a) immer in einem Magnetfeld 0 befindet. Eine Lorentz-Kraft sollte jetzt nicht entstehen und es sollte keine Induktion geben, wenn man die Rechtecksschleife hin und her schiebt.

4. Wenn sich eine Rechtecksschleife wie oben zwischen den Schenkeln eines Hufeisenmagneten hin und her bewegt, liegt ein Fall der "Induktion bei bewegtem Leiter" vor, wie mein Physiklehrer das nennt.

Wenn jetzt aber die Rechtecksschleife ruht und der Hufeisenmagnet wird stattdessen hin und her geschoben, soll das ebenfalls ein Fall der "Induktion bei bewegtem Leiter" sein, obwohl der Leiter ja offensichtlich ruht. Es wird behauptet, dass sich dann das Magnetfeld bewegt.

Wie soll ich mir das vorstellen: Sind dann etwa die "Stachel" des Magnetfelds am Hufeisenmagneten festgeklebt, so dass also der Leiter bei der Bewegung des Magneten das Vorbeikommen der Stachel bemerkt? Ist das "Igel-Modell" vom magnetischen Feld etwa realistisch? Aber eigentlich gibt es die "Stachel" ja nicht. Solange nur der homogene Teil des Magnetfelds genutzt wird, ist am Ort des Leiters immer dasselbe Magnetfeld zu messen. Wie soll denn der Leiter feststellen, dass sich die fernen Schenkel des Magneten bewegen?

5. Im Unterricht wurde eine Formel hergeleitet (U = B.l.v), die die Spannung zwischen den Enden eines stabförmigen Leiters beschreibt, wenn sich dieser senkrecht zu einem Magnetfeld mit der Flussdichte B mit der Geschwindigkeit v bewegt. Dabei wurde gesagt, dass die Lorentz-Kraft Elektronen an das eine Ende des Stabs verschiebt. Je mehr Elektronen dorthin verschoben werden, desto größer ist dort die "Ladungsanhäufung" . Es entsteht eine immer größer werdende elektrostatische Gegenkraft, die schließlich verhindert, dass weitere Elektronen an dieses Ende des Leiters verschoben werden. Die dann entstehende Spannung soll die Induktionsspannung sein.

a) Unabhängig von der Länge und Form des Stabs wird so getan, als sei das entstandene elektrostatische Feld im Leiter ein homogenes elektrisches Feld. Warum ist das so?

b) Wenn jetzt aber der Stab zu einem geschlossenen Ring erweitert wird, kann diese elektrostatische "Induktionsspannung" nie entstehen, weil die Elektronen ja immer im Kreis herumgeführt werden. Darf man jetzt trotzdem mit dieser (nicht mehr gültigen) Induktionsspannung und dem ohmschen Widerstand des Rings den Induktionsstrom berechnen?

Mögliche Antwort

6. Ich habe einmal von einem Versuch gelesen, der das Induktionsgesetz widerlegen soll. Induktion sollte in einer geschlossenen rechteckigen Spule (blau) gemessen werden. Zwei Magnete waren in der Nähe einer Rechtecksseite (a) so angeordnet, dass sich an der Seite  (a) ihre Magnetfelder aufhoben. Die Spulenfläche war so groß, dass ihr Magnetfeld an den anderen 3 Seiten des Rechtecks vernachlässigbar war. Jetzt wurden die beiden Magnete synchron voneinander weg bewegt, so dass das Magnetfeld an der Rechtecksseite (a) immer 0 blieb. Es konnte also keine Lorentz-Kraft entstehen, da das Magnetfeld am zuständigen Leiter immer 0 war. Dennoch fand Induktion statt ("Induktion ohne Magnetfeld").

7. Spannungen werden immer zwischen zwei Punkten A und B gemessen. Man nimmt dabei offenbar immer an, dass es gleichgültig ist, wie die Verbindungsleitungen zwischen den beiden Messpunkten und dem Messgerät verlegt sind. Ich las aber von einem Versuch, bei dem man die unterschiedlichsten Spannungen messen kann, wenn man die Verbindungsleitungen immer anders verlegt.
Es soll sich die magnetische Flussdichte B gerade so ändern, dass die Induktionsspannung UABCDA  gerade = 15 mV ist. Ich las dann, dass die Spannung UAA ganz verschiedene Werte annehmen kann: 0 mV, 15 mV, -15 mV, +/- 30 mV, +/- 45 mV, usw., je nachdem wie die Verbindungsleitungen verlegt werden. Ich dachte, dass das Kennzeichen einer Potenzialdifferenz (also der Spannung) gerade die Wegunabhängigkeit ist?

Wenn man den zweiten Pol des Spannungsmessers geeignet verbindet, soll man positive und negative Spannungen unterschiedlichster Größe erreichen können, z.B. - 5 mV oder + 10 mV oder auch 100 V. Wie soll das gehen?

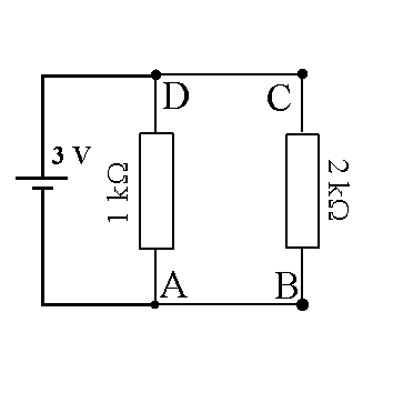
8. In dieser Schaltung habe jemand 3 V zwischen A und D gemessen (das ist normal), aber auch, in einer anderen Situation, 1 V, zwischen B und C 7 V, oder auch  1 V. Wie ist das möglich?

Ich dachte, zwischen den Enden parallel geschalteter Widerstände liegt immer die gleiche Spannung?

Ich würde erwarten, dass die Spannung UAA = 0 V ist, aber es wurden auch 6 V, 12 V, 18 V, ... gemessen. Warum ist die Spannung nicht eindeutig?

9. Bei dem Stab, der sich senkrecht zum Magnetfeld bewegt, entsteht eine Induktionsspannung U = B·l·v. Sie hängt also von der Länge des Stabs ab. Das erscheint mir sehr plausibel, weil ja die Lorentz-Kraft auf die Elektronen in dem Stab wirkt, und je länger dieser ist, desto mehr Elektronen sind in ihm enthalten, desto mehr Elektronen werden durch die Lorentz-Kraft verschoben. Ich würde deshalb in anderen Fällen der Induktion ebenfalls erwarten, dass die Induktionsspannung von der Länge der Induktionsschleife abhängt. Nach dem Induktionsgesetz hängt diese aber von der umfassten Fläche ab. Wie ist dieser Widerspruch zu verstehen? (I. N. 12. Klasse)

10. Ursache der Induktion soll die Lorentz-Kraft sein. Wo aber soll eine Lorentz-Kraft entstehen, wenn sich der magnetische Fluss durch eine Leiterschleife zeitlich ändert, aber wenn sonst alles in Ruhe ist? (K. S. 10. Klasse)

11. Wenn sich eine geschlossene leitende Rechtecksschleife durch ein homogenes Magnetfeld bewegt, entsteht keine Induktion (Zeichnung links). Das wird damit begründet, dass die beiden Lorentz-Kräfte in den gegenüberliegenden Rechtecksseiten einander entgegen wirken.

Wenn man jetzt aber einen der beiden Leiter magnetisch abschirmt (man kann ja mit der Hall-Sonde nachmessen, dass das perfekt gelingt; Zeichnung rechts), dann sollten auf den abgeschirmten Leiter keine Lorentz-Kräfte entstehen. Es überleben dann die Lorentz-Kräfte auf den gegenüberliegenden Leiter und es fließt ein Induktionsstrom.

Mögliche Antwort

12. Wenn sich ein geradliniger Leiter senkrecht zu einem homogenen Magnetfeld bewegt, wirkt eine Lorentz-Kraft, die Elektronen im Leiter verschiebt und ein elektrostatisches Gegenfeld aufbaut, bis ein Gleichgewichtszustand entstanden ist. Dann kann man zwischen den Enden des Leiters eine (Induktions-)Spannung messen.

Wenn sich jetzt aber eine Rechtecksschleife ganz im homogenen Magnetfeld bewegt, wird behauptet, dass keine Induktionsspannung entsteht, weil keine Flussänderung stattfindet.

Ich denke aber, dass die gleiche Induktionsspannung entstehen müsste, weil jetzt zwei parallele Leiter vorhanden sind, in denen die Lorentz-Kraft wirkt. Die beiden gleichen Spannungen sind also sozusagen parallel geschaltet.

Mögliche Antwort

Beispiele für reale Diskussionen, die in mancher Hinsicht sehr aufschlussreich sind, finden Sie in Internet-Foren.

Dort fällt auf