Startseite FORPHYS

Didaktogene Lernschwierig- keiten im Physik-UR

An- schauliche Mechanik  

Elektrischer Stromkreis 

 Schüler- versuche

Physik Lernen mit dem Computer

 Meta- Physika- lisches

Im- pres- sum

Kommen- tare und Wünsche

© Horst Hübel Würzburg 2005 - 2014

.

NEU Physikalische Schülerversuche mit PC und Mikroprozessor, 2. Auflage, im Buchhandel erschienen

.

Hall-Sonde

Messbeispiele: (Vgl. auch Magnetfeld einer langen Zylinderspule )

Abb. 1: magnetische Flussdichte in Abhängigkeit von der Stromstärke bei einer langen Zylinderspule. Das kontinuierliche Messen geht ganz einfach:

Wenn Sie die vorgeschlagenen Messworte (messen32.txt) geladen haben, tippen Sie am PC einfach HALL ein, und es erscheinen - wenn Interface und Sonde angeschlossen sind - die jeweils gemessenen Magnetfeld-Werte in mT auf dem PC-Bildschirm.

Abb. 2: magnetische Flussdichte in Abhängigkeit vom Ort bei einer kurzen Zylinderspule. Der Spulenrand befindet sich bei der blauen Linie.

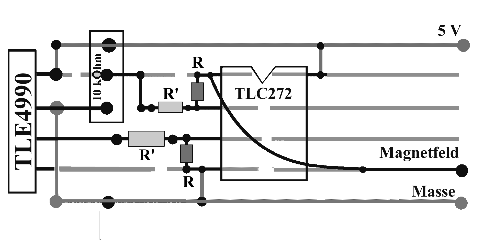
Hier wird die Hall-Sonde TLE 4990 von INFINEON (aktuellere Alternative HAL1821UA-K von Micronas) eingesetzt, die so empfindlich ist, dass das Erdmagnetfeld gerade noch nachweisbar ist (bei uns ca. 50 µT). Leider muss man hier wieder erst etwas löten, weil das Ausgangssignal im mV-Bereich erst auf eine Spannung im V-Bereich verstärkt werden muss. Magnetfeld 0 Vs/m2 hat eine Ausgangsspannung von 2,5 V zur Folge. Es gibt einen linearen Zusammenhang zwischen magnetischer Flussdichte B und Ausgangsspannung; 1 mT entspricht 20 mV (in der vorprogrammierten Version TLE 4990 E6782).Wenn man also magnetische Flussdichten in der Größenordnung von 10 mT messen möchte, muss man erst die 2,5 V abtrennen, bevor man verstärkt. Deshalb ist eine spezielle Schaltung nötig. Damit sie mit unipolar mit 5 V Betriebsspannung aus der Mikroprozessorplatine versorgt werden kann, wurde eine Schaltung verwendet, die für negative Magnetfelder unempfindlich ist.
Abb. 3: Layout für den Hall-Sonden-Vorverstärker

Es werden die 1%igen Widerstände R' = 10 kOhm, R = 100 kOhm verwendet. Das ergibt eine Verstärkung um den Faktor 10; 10 mT führt dann zu 2 V.

Um das Erdmagnetfeld nachzuweisen braucht man R = 1 MOhm.

Abb. 4: Ansicht der Hall-Sonde

Das Poti wird vorsichtig so einreguliert, dass die Ausgangsspannung bei fehlendem Magnetfeld gerade 0 ist.

.

( aktualisiert 2014 )