Pegelanheber zur Messung von Wechselspannungen |
Die Kanäle ADC 0 und ADC 1 werden von uns für Gleichspannungen vorgesehen, die Kanäle ADC 2 und ADC 3 für Wechselspannungen. Mit den übrigen 4 Analog-Wandler-Kanälen können Sie machen, was Sie wollen.
(grün:
Leiterbahn-Unterbrechungen) |
Abb. 1: Beschaltung des Pegelanhebers - Schutzdioden
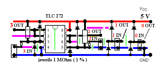
Der Baustein TLC 272 enthält 2 Operationsverstärker. Es werden 4 x 1 MOhm-Widerstände (1 %) benötigt. Liegt am Eingang (IN) eine Spannung von -5 V, bilden die beiden Widerstände einen Spannungsteiler, der 0 V an den Eingang 3 des linken OV legt. Der OV ist als Spannungsfolger mit Verstärkung 1 geschaltet. Die Spannung 0 V erscheint auch am Ausgang. Liegt der Eingang auf 0 V, so erzeugt der Spannungsteiler die Spannung 2,5 V am Eingang 3 des OV, bei 5 V am Eingang liegen auch 5 V am Pin 3. Ganz entsprechend ist die Ausgangsspannung des Spannungsfolgers. Das ganze ist hier für 2 Kanäle aufgebaut. Die Dioden (z.B. 1 N 4002) schützen in beschränktem Maße den Eingang jedes OV: Wird der Pegel des Eingangs 3 irgendwie > 5 V, schaltet die obere Diode durch; sinkt der Pegel unter 0 V, wird die untere Diode leitend. Ganz entsprechend könnte man auch die Gleichspannungs-Kanäle A0 und A1 mit Dioden schützen. Es wird ein kleines Stück einer Lochstreifenkarte mit 6 Streifen benötigt. In der Breite sollen 26 Löcher vorhanden sein. Der Schutz kann aber nur funktionieren, solange die Dioden nicht durchgebrannt sind. Zu hohe Spannungen oder zu lange Dauer der Fehlspannung machen den Schutz wirkungslos. Bei Fehlspannungen wird die betreffende Spannungsquelle quasi kurzgeschlossen.
Nach D. Bitterle, Elektronik-Experimente mit dem PC, Franzis Verlag 1997 |
![]() |
Abb. 2: Fertig aufgebauter Pegelanheber. Für die Erprobungsversion wurden viel zu lange Anschlussleitungen verwendet (Profitex Verbindungssatz P-2542, Rastermaß 2,54 mm) |
![]() |
Abb. 3: Erprobungsversion: Anschluss des Pegelanhebers |