Startseite

Der FKG-Roboter

FORPHYS-

Mess-Interfaces

Forschendes Lernen im Physik-UR

Würzburger Quantenphysik-Konzept

Grundfakten der Quantenphysik

Materialien Physik-UR

Impressum

Kommentare und Wünsche

© Horst Hübel Würzburg 2005 - 2013

Pulsweitenmodulation für den Servoantrieb

1. Wie funktioniert ein Dimmer ?

Damit eine Lampe geregelt werden kann, d.h. schwächer oder stärker leuchtet, könnte man die Stromstärke variieren. Das Standard-Gerät dafür ist ein veränderlicher Widerstand, wie etwa bei einem Potentiometer. Von dem benutzt man dann allerdings nur einen Teil; nur eines der Enden ist angeschlossen und der Mittenabgriff. Das zweite Ende hängt frei. Wenn man dann den Mittenabgriff hin- und herschiebt, verändert man den Widerstand im Stromkreis und die Stromstärke verändert sich mit.

Nachteil dieser Schaltung ist, dass gemäß P = U·I = R·I2 auch am Widerstand R - je nach dem durch ihn fließenden Strom I - elektrische Energie in Wärme umgewandelt wird. P ist dabei die Verlust-Leistung. Man muss also für Energie bzw. Leistung bezahlen, die man nutzlos verschwendet. Bei starken Lampen ist diese Verlustleistung so groß, dass sich der veränderliche Widerstand ganz schön aufheizt.

Deshalb haben sich Ingenieure ein anderes Verfahren ausgedacht: Die Stromstärke selbst wird nicht verändert. Alle vom E-Werk gelieferte Energie bzw. Leistung wird der Lampe zugeführt, aber diese leuchtet nur kurzzeitig, so als würde die Lampe nur kurz an- und dann wieder abgeschaltet werden. Weil sich der Glühfaden der Lampe nur langsam abkühlt und aufheizt, merkt unser Auge nichts davon, dass die Lampe zwischendurch immer wieder aus- und eingeschaltet wird. Das Auge stellt stattdessen eine mittlere Helligkeit fest, die umso größer ist, je länger jeweils die Lampe eingeschaltet ist. Beim Dimmer nennt man das "Phasenanschnittsteuerung".  In jeder Periode des Wechselstroms, also jeweils in 1/50 s, wird nur ein- oder zweimal kurzzeitig Energie zugeführt. Die Lampe leuchtet umso heller, je länger die Einschaltphasen in einer Periode sind.

Durch die Phasenanschnittsteuerung wird aus dem sinusförmigen möglichen Stromverlauf immer nur ein Stück, also z.B. 1/10 einer Periode "ausgeschnitten" und genutzt.

Bei der Pulsweitenmodulation verwendet man ein ähnliches Prinzip, nur wird die Ausgangsspannung des PWM-Modulators immer nur kurzzeitig auf 5 V gelegt, und dann wieder auf 0 V. Es wird also ein kurzzeitiger Puls von 5 V erzeugt. Z.B. beträgt die Einschaltdauer 1 ms bei einer Periodendauer von 11 ms. Dann sagt man der positive Puls hat eine Breite von 1 ms, oder eine Pulsweite von 1 ms. In anderem Zusammenhang spricht man von einem "Tastverhältnis" 1 ms / 10 ms = 0,1. Es gibt Situationen, wo die Pulsdauer selbst wichtig ist, andere, wo das Tastverhältnis wichtig ist. Auf Englisch heißt "Tastverhältnis": duty oder duty cycle.

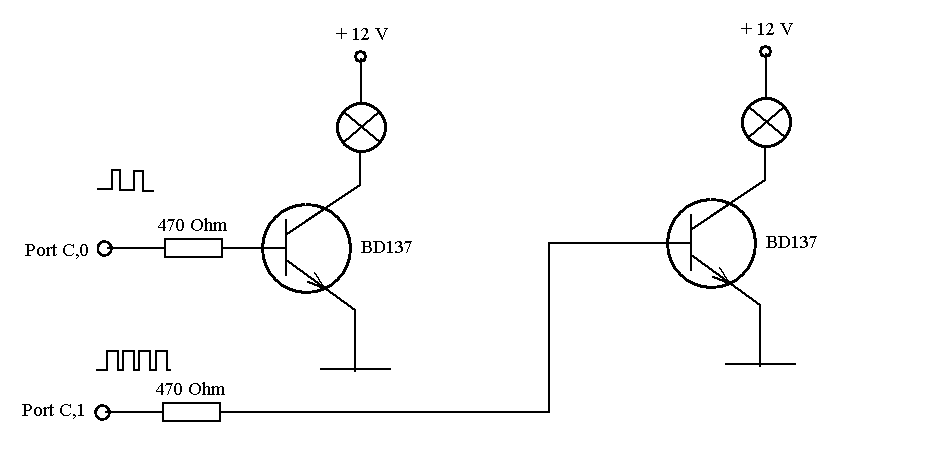
Die unten stehende Schaltskizze zeigt, wie man durch eine pulsweitenmodulierte Spannung die Helligkeit einer Glühbirne steuern kann. Der Leistungs-Transistor dient dabei als Schalter, der den Lampenstrom während der Pulsdauer ein- und sonst ausschaltet. Mit dem pulsweitenmodulierten Signal selbst könnte man die Lampe nicht zum Leuchten bringen, weil der Port  C,0 des Mikroprozessors zwar 5 V Spannung besitzen kann, aber nur kleine Ströme in der Größenordnung von 5 - 20 mA liefern kann. Die Lampe an Port C,1 leuchtet heller, weil sie während einer Periode länger in Betrieb ist.


2. Befehle für die PWM

PWM10  (AVISE 2.4, aktuell AVISE4.1 oder 4.3 mit PWMA oder PWMB )   

Beispiel:   60 A3 PWM10

Verwendet wird Timer1A (Port D.5). Der Vorteiler wird durch 3 eingeschaltet, nämlich 64. Damit ergibt sich aus der Grundfrequenz f 0 =  8 MHz / 2·1024 = 3,90625 kHz die Frequenz      f0 /64 = 61 Hz. Eine Periodendauer beträgt also 1 /61 s  = 16,384 ms.

Mit 60(16) = 96(10)  wird die Dauer der H-Phase eingestellt. Diese beträgt 96/1024 von 16,384 ms = 1,536 ms. Das entspricht quasi dem Idealwert 1,5 ms für "Stillstand".


3. PWM wird auch für Digital-Analog-Wandler benutzt.

DA-Wandler: Bei einem digitalen Wert von z.B. 0 bis 255 (bei einem 8 bit-Wandler) wird ein analoger Spannungswert ausgegeben. Z.B. soll bei einem digitalen Wert b ( 0 , ... 255) die Ausgangsspannung b/256 . 5 V betragen. Dafür gibt es eigene DA-Wandler.

Ein PWM schafft das zunächst nicht, weil ja die Ausgangsspannung nur die zwei Werte 0 V oder 5 V annehmen kann, aber immer nur kurzzeitig. Analoge Werte entstehen sozusagen als zeitliche Mittelwerte. Um eine konstante analoge Ausgangsspannung zu erreichen, muss man mit einer elektronischen Schaltung eine Mittelung vornehmen. Dazu ist ein RC-Glied geeignet, bei dem der Kondensator, der sich nicht so schnell laden und entladen kann, eine mittlere Ladespannung annimmt. Besser ist eine "aktive Filterschaltung" mit einem Operationsverstärker (s.u.).

Seine Ausgangsspannung ist dann wirklich eine konstante analoge Spannung, die sich mit der Pulsweite verändert.

So lassen sich mikroprozessorgesteuerte Netzgeräte  (Schaltung siehe Kainka, Messen-Steuern-Regeln mit dem C-Controll/BASIC-System) aufbauen, die - einstellbar durch die Pulsweite - eine konstante analoge Ausgangsspannung liefern. Mit Hilfe einer Transistor-Endstufe kann man dem Netzgerät dann proportionale Ströme entnehmen.


Aufgabe: Es soll mit Mikroprozessor, Filterglied und Leistungsverstärker ein Netzgerät aufgebaut werden, das Spannungen und Ströme von gesteuerter Größe abgeben kann. Die Ausgangsspannung soll je nach Schalterstellung 1 V, 2 V, 5 V oder 10 V betragen.


4. PWM ist auch die Grundlage für die Steuerung von Motoren.

a) Ähnlich wie mit einem Dimmer kann durch PWM die Drehzahl eines normalen Elektromotors geregelt werden. In der Regel wird man so aber einen Motor zwar langsamer und schneller laufen lassen können, aber ohne Richtungswahl.

b) Ein PWM-gesteuertes Servo regelt Drehwinkel, Drehrichtung und Drehgeschwindigkeit über PWM.

Ein zusätzliches Problem ist noch, dass der Mikrokontroller dann immer noch nicht weiß, wo sich der Motor gerade befindet, um welchen Winkel er sich bis jetzt gedreht hat.

Ansteuerung:   PWM10  (AVISE 2.4)

PWMA oder PWMB  (nach der aktuellen Version AVISE4.1 oder 4.3)


(zuletzt aktualisiert 2013)