Startseite FORPHYS

Der ARDUINO
als Messgerät für den Physik-Unterricht:

Gesetz der Selbstinduktion I

© H. Hübel Würzburg 2021


Gehversuche mit dem Arduino

Arduino und Selbstinduktion II

Arduino und Ein-/Ausschaltvorgänge an der Spule

Arduino und Thomson-Formel

Physik für Schülerinnen und Schüler

Glossar





Was hat der Arduino mit der Selbstinduktion zu tun?

Das Gesetz der Selbstinduktion (Uind = - L·ΔI/Δt in einfachen Fällen -  Uind  prop. zur "Änderungsgeschwindigkeit der Stromstärke" (Steigung der t-I-Funktion) ist besonders einsichtig, wenn man einen Strom I mit abschnittsweise konstanter Steigung ΔI/Δt vorgeben kann, also einen Dreiecksstrom. I.A. sind zum experimentellen Nachweis viele Klimmzüge notwendig, da man häufig keinen Einfluss auf die Form des Stroms hat. Mit einer Strompumpe ist dies aber leicht möglich. Der Arduino wird dann eingesetzt, um - z.B. im Schülerversuch - den resultierenden Spannungsverlauf zu registrieren und das Gesetz der Selbstinduktion dem Experiment zu entnehmen, bzw. die Induktivität sinnvoll zu definieren. Sie haben richtig gelesen: Ein Strom wird vorgegeben und die resultierende Spannung gemessen.


Was leistet die Strompumpe für den Physik-Unterricht?


Abb. 1: Prinzip einer spannungsgesteuerten Stromquelle (SGSQ; Strompumpe)

Nach Anschluss eines stromleitenden Bauelements an den Stromanschluss (Ausgang) wird ein zur Steuerspannung (Eingang) proportionaler Strom erzeugt, ganz gleich (innerhalb gewisser Grenzen), welchen Widerstand das Bauelement hat. Ich nenne die Schaltung manchmal auch "Strompumpe": Ein (links) hinein fließender Strom wird auch durch den Stromanschluss (rechts) gepumpt. Bei einem ohmschen Widerstand Re im Eingangskreis fließt bei einer Dreiecksspannung auch ein dazu proportionaler Eingangsstrom. Also muss auch im Ausgangskreis (im Rahmen bestimmter Grenzen) der gleiche dreiecksförmige Strom fließen, ganz gleich, welches Bauteil im Ausgang angeschlossen ist.


Für den Physik-Unterricht heißt das: Man kann einen bestimmten Zeitverlauf der Stromstärke durch ein Bauelement vorgeben (!), der besonders deutlich physikalische Zusammenhänge demonstriert. Als Folge bildet sich eine Spannung aus, an der das Gesetz des Bauteils "ins Auge springt". Die Strompumpe sorgt dafür, dass der vorgegebene Strom durch das Bauteil fließt.

So ist ein dreiecksförmiger Strom durch eine Spule mit einer abschnittsweise konstanten (Selbst-)Induktionsspannung verbunden. Daran lässt sich das Gesetz der Selbstinduktion besonders eindrucksvoll erkennen.

Entsprechend wird auch das Gesetz des Kondensators eindrucksvoll offenbart, wenn ein symmetrischer rechtecksförmiger Wechselstrom durch einen Kondensator geschickt wird. Dann bildet sich am Kondensator eine linear wachsende und fallende Ladespannung aus, also eine dreiecksförmige Spannung.

Wie die Strompumpe realisiert wird, gar mit Mitteln der Schülerversuchssammlung, soll vorläufig nicht interessieren.

Über ähnliche Versuche mit anderer Technik wurde schon anderswo und im Buch des Autors "Physikalische Schülerversuche mit PC und Mikroprozessor" berichtet.


Prinzip der Strompumpe mit einem Operationsverstärker



Nicht eingezeichnet ist in allen Schaltungen der Abb. 2 - 5 die bipolare Spannungsversorgung des Operationsverstärkers (UB typisch +/- 5 V oder +/- 12 V)
Abb. 2: Realisierung einer einfachen spannungsgesteuerten Stromquelle (SGSQ oder Strompumpe) mit einem Operationsverstärker.

Die Stromanschlüsse sind hier oben, die Steuerspannung UE wird links angelegt. Die Ausgangsspannung UA misst die Spannung am Bauteil des Stromanschlusses. Wenn R ein ohmscher Widerstand ist, gilt I = UE/R, UE und I sind dann zueinander proportional.

Auf die Technik der SGSQ sollte im Unterricht nicht eingegangen werden.

 

Voraussetzung für den Nutzen der Strompumpe ist, dass im Eingangskreis und zwischen den Stromanschlüssen (Ausgangskreis) ein gleich großer Strom fließt. Dies wird mit Amperemetern im Eingangskreis und zwischen den Stromanschlüssen nach Abb. 3 überprüft. Besonders eindrucksvoll ist es, wenn im Ausgangskreis ein variabler Widerstand R' eingesetzt wird. Unabhängig von der Größe von R' fließt (in weiten Grenzen) bei festem Eingangsstrom derselbe Ausgangsstrom.

Das ist nicht mehr der Fall, wenn 1. der Eingangsstrom den maximalen Ausgangsstrom des verwendeten OPs überschreitet, also typisch 10 mA, und wenn 2. die Ausgangsspannung nicht ausreicht, um den Ausgangsstrom durch  Ra zu pumpen. Die maximale Ausgangsspannung ist etwas kleiner als die Betriebsspannung des OPs.

Die im Ausgangskreis sich ausbildende Spannung UA ist i.A. von der Eingangsspannung verschieden und hängt nicht nur von der "gepumpten" Stromstärke ab, sondern auch vom jeweiligen Widerstand R' im Ausgangskreis.


Zu so etwas wie einer "Erklärung" verwendet man zwei Hilfs-Prinzipien:

1. Virtuelle Masse: Die Spannungen an E- und E+ gegenüber Masse unterscheiden sich bei einem OV im Arbeitsbereich höchstens um wenige mV. In guter Näherung liegen dann beide Eingänge "virtuell auf Masse-Potenzial".

(Die Eingangsspannung UE hat dann einen proportionalen Strom I1 = UE /R durch den Widerstand R zur Folge.)


2. Stromlosigkeit: Wegen des extrem hohen Eingangswiderstand kann quasi kein Strom über einen der Eingänge in den OV hinein fließen. Deshalb muss der Eingangs-Strom durch R über die Stromanschlüsse zum Ausgang A weiterfließen, also durch das Bauteil zwischen den Stromanschlüssen.

(Also I1 = I2).


Überprüfung der Strompumpe



Nicht eingezeichnet ist in allen Schaltungen der Abb. 2 - 6 die bipolare Spannungsversorgung des Operationsverstärkers (UB typisch +/- 5 V oder +/- 12 V)
Abb. 3: Test der einfachen spannungsgesteuerten Stromquelle (SGSQ) mit einem Operationsverstärker und Gleichstrom-Amperemetern

Wie auch immer R' verändert wird, es sollte immer I1 = I2 sein, solange der Arbeitsbereich des OV eingehalten wird. Die Eingangsspannung UE liefert eine Gleichspannungsquelle, z.B. eine Monozelle.

I1 ist durch UE und R bestimmt: I1 = UE/R, weil beide Eingänge des OV (E- und E+) in Abb. 2 "virtuell auf gleichem Potenzial (Massepotenzial) liegen".


Grundgesetz der Spule im Schülerversuch

So, wie das Grundgesetz des ohmschen Widerstands das Ohm'sche Gesetz U = R·I ist, so ist das des Kondensators Q = C·U bzw. I = C·dU/dt = C·U· , bzw. in einfachen Fällen I = C·ΔU/Δt, wenn statt der Zeitableitung der Spannung U· der Differenzenquotient ΔU/Δt verwendet werden kann. Analog kann auch ein Grundgesetz der Spule formuliert werden. Es ist das Gesetz der Selbstinduktion Uind = - L·dI/dt = - L·I·,  bzw. Uind = - L·ΔI/Δt in einfachen Fällen, wenn statt der Zeitableitung der Stromstärke, I·, der Differenzenquotient ΔI/Δt verwendet werden kann.

Üblicherweise wird es für eine lange Spule theoretisch hergeleitet. Es könnte bei Ein-/Ausschaltversuchen einer Spule mit ohmschem Widerstand auch aus einer Messung entnommen werden, wenn man einige Tricks anwendet.

In einer anderen Situation "springt das Grundgesetz direkt ins Auge", nämlich, wenn es gelingt, einen Strom durch die Spule zu schicken, der linear wächst und fällt, einen Dreiecksstrom. Dann ist die Steigung der Stromkurve, ΔI/Δt, also die "Änderungsgeschwindigkeit von I" abschnittsweise konstant, ebenso wie Uind.  Im allgemeinen ist das schwer erreichbar. Nicht aber mit einer Strompumpe, bei der man durch eine Dreiecksspannung einen Dreiecksstrom steuern kann, ganz gleich durch welche Art von Bauteil, also auch durch eine Spule, jedenfalls in bestimmten Bereichen der Dimensionierung.

Weitgehend unabhängig vom Widerstand der Spule ist dann ΔI/Δt abschnittsweise konstant. Wenn das Grundgesetz der Spule erfüllt ist, muss eine abschnittsweise konstante Induktionsspannung gemessen werden. Der Quotient Uind / (ΔI/Δt) ist dann die konstante Induktivität L.

Mit dem ARDUINO werden gemäß Abb. 2 die Ausgangsspannung (UA =  Uind) und optional die Eingangsspannung UE (=> I = UE/R) und gemessen und in Abhängigkeit von t graphisch dargestellt. Da es sich beidemale um Wechselspannungen handelt, müssen sie mittels eines zweikanaligen Pegelwandlers in pulsierende Gleichspannungen umgewandelt werden.

Schätzen wir die Situation quantitativ ab. Die Amplitude der Eingangswechselspannung sei 2,5 V. Bei R = 1 kΩ folgt ein dreiecksförmiger Wechselstrom mit der Amplitude 2,5 mA. Er muss auch durch die Spule fließen. Von Stromminimum zu -maximum haben wir einen Hub von 5 mA. Bei einer Frequenz von 500 Hz (T = 2 ms) steigt und fällt der Strom jeweils in einer Halbperiode, also in τ = 1 ms. ΔI/Δt = ΔI/τ = 5 mA/1 ms = 5 A/s. Bei L = 0,1 H ergibt sich eine Wechselspannung mit der Amplitude  Uind = 0,5 V. Das können wir mit dem ARDUINO noch gut messen. Unsere Strompumpe kann maximal eine Stromamplitude von typisch 10 mA bewältigen.

Für den Schülerversuch geeignet ist eine billige Schülerversuchsspule mit 2 Wicklungen über den gleichen Ferritkern mit pro Wicklung mit L = 0,1 H. Durch Beschaltung von 2 SV-Spulen kann man bis zu 0,8 H erreichen.




Siehe auch Spannungsversorgung
Abb. 4: Realisierung einer einfachen spannungsgesteuerten Stromquelle (SGSQ) mit einem Operationsverstärker zur Untersuchung der Selbstinduktion in einer Spule

Die Stromanschlüsse sind hier oben mit der Spule verbunden, die Steuerspannung wird links angelegt.
Die Ausgangsspannung UA misst die Spannung an der Spule, also die Induktionsspannung, wenn der Spannungsabfall am kleinen Innenwiderstand der Spule (1,5 Ω bei der Schülerversuchsspule) vernachlässigbar ist.

Am Ausgang erscheint die Spannung an der Spule (also in guter Näherung Uind), weil E- in sehr guter Näherung "auf virtueller Masse liegt".


Induktion und Selbstinduktion in der Schülerversuchsspule

Der Dreiecksstrom durch die Spule führt (im Idealfall) zu einem abschnittsweise linear wachsenden und fallenden magnetischen Fluss, der bei der Schülerversuchsspule den Ferritkern quasi vollständig durchsetzt. Dementsprechend ist die Selbstinduktionsspannung in der Spule abschnittsweise konstant. Derselbe sich ändernde magnetische Fluss durchsetzt aber auch die auf den gleichen Kern gewickelte zweite Spule ("Sekundärspule"), in der eine gewöhnliche Induktionsspannung entsteht. Beide haben gleichen Betrag. Die Induktionsspannung ist aber an der Sekundärspule leichter messbar, da sich die Spannung an der "Primärspule" wegen des (evtl. kleinen) Spannungsabfalls an ihrem Innenwiderstand (evtl. leicht) von der Selbstinduktionsspannung unterscheidet. Es bietet sich also an, die Selbstinduktionsspannung durch die gleich große Induktionsspannung an der Sekundärspule zu messen.

(Auch bei nicht verschwindendem ohmschen Widerstand R' der Spule fließt durch die Spule ein dreiecksförmiger Strom, ebenso wie durch den quasi in Reihe geschalteten ohmschen Widerstand R. Wegen der Strompumpe ist das hier anders als bei Ein-/Ausschaltvorgängen in realistischen Stromkreisen mit ihren exponentiell veränderlichen Strömen.)




Siehe auch Spannungsversorgung
Abb. 5: Alternative für die Messung der Induktionsspannung bei Verwendung der zweiten Wicklung der Schülerversuchsspule auf demselben Kern (hier n1 = n2).

Da beide Wicklungen auf denselben Ferritkern gewickelt sind, werden sie vom gleichen magnetischen Fluss durchsetzt. Beide Induktionsspannungen sind also gleich. In allgemeineren Fällen (n1 ≠ n2) sind sie zumindest proportional zueinander.

Vorteil dieser Schaltung ist, dass die Induktionsspannung nicht durch den Spannungsabfall am Innenwiderstand der Feldspule verfälscht ist.

Um die Induktionsspannung mit ihren zwei Vorzeichen mit dem Arduino direkt zu messen, braucht man auf jeden Fall einen Pegelwandler, der die Spannungswerte in den positiven Bereich verschiebt, indem eine konstante Gleichspannung hinzu addiert wird.


Realisierung auf der Leybold-Rastersteckplatte, vor allem für Schülerversuche

Abb. 6: Strompumpe, periodisch gesteuert durch Funktionsgenerator: DINA4-Auflageblatt für das Leybold-Rastersteckbrett zum sicheren Aufbau der Mess-Schaltung durch die Schüler im SV (Schaltung a). Die Sch stecken die Bauteile durch das aufgelegte Blatt hindurch. Die rot/grau gezeichneten "Inseln" (in sich leitend) werden untereinander durch Bauteile oder leitende Verbindungsstecker (Doppelstriche) verbunden.
Günstiger als der 2 kΩ-Widerstand erscheint ein 1 kΩ-Widerstand (höhere Stromamplitude, also größere Induktionsspannung).

Die 2. Wicklung der Schülerversuchsspule kann bei geeigneter Beschaltung zu erhöhter Induktivität führen oder zur direkten Messung der Induktionsspannung herangezogen werden.

Auf jeden Fall muss die Induktionsspannung durch einen Pegelwandler in den nichtnegativen Bereich verschoben wird. Andernfalls droht Zerstörung des ARDUINO.

Siehe auch Spannungsversorgung
Abb. 6a: Beschaltung für 4-fache Induktivität

Bei einer Wicklung ergibt sich die Induktivität L = 0,1 H, bei der Beschaltung oben L = 0,4 H. Mit 2 SV-Spulen kann man bis zu 0,8 H erzielen.

Bei Beschaltung muss die Induktionsspannung, wie eingezeichnet, durch die Ausgangsspannung gemessen werden.


Messergebnisse mit dem ARDUINO bei unterschiedlichen Frequenzen der Dreiecksspannung zeigen die folgenden Bilder.


Abb. 7a: Selbstinduktionsspannung (blau) bei f = 200 Hz und Eingangsspannung UE prop. Spulenstrom I (rot):

Die Selbstinduktionsspannung bleibt (abgesehen von Störungen) konstant, solange der Strom linear wächst oder fällt.


Die gebrochenen Spitzen der Stromkurve (rot) hängen mit dem endlichen zeitlichen Auflösungsvermögen zusammen (wegen zweikanaliger Messung hier nur 0,22 ms pro Messpunkt). Ein Teil der Rundungen, auch der Spannungskurven, lässt sich so erklären. Möglicherweise auch braucht der Operationsverstärker wenige zehntel Millisekunden, bis er den Spulenstrom auf den Eingangsstrom eingestellt hat.

(In den folgenden Graphen Maßstabsänderung!)



Abb. 7b: Selbstinduktionsspannung bei f = 100 Hz mit ca. 50 mV Amplitude

(Messpunkte im Abstand von 0,11 ms; rot: Nulllinie)

Die Selbstinduktionsspannung bleibt konstant, solange der Strom linear wächst oder fällt.


Abb. 7c: Selbstinduktionsspannung bei f = 150 Hz mit ca. 70 mV Amplitude

Leichte Schwingungen (nicht unterdrückt wegen des fehlenden "Dämpfungswiderstands" von 47 kΩ parallel zur Spule) sind gut tolerierbar.


Abb. 7d: Selbstinduktionsspannung bei f = 200 Hz mit ca. 100 mV Amplitude
Leichte Schwingungen (nicht unterdrückt wegen des fehlenden "Dämpfungswiderstands" von 47 kΩ parallel zur Spule) sind gut tolerierbar.


Abb. 7e: Selbstinduktionsspannung bei f = 300 Hz mit ca. 150 mV  Amplitude

Eine leichte Dachschräge - vermutlich Folge der Hysterese des Ferritkerns - ist noch gut tolerierbar.


Abb. 7f: Selbstinduktionsspannung bei f = 400 Hz mit ca. 200 mV Amplitude

Eine leichte Dachschräge - vermutlich Folge der Hysterese des Ferritkerns - ist gerade noch tolerierbar.

Mit etwas Fantasie erkennen die Schüler an einer Auftragung der Amplitude der Selbstinduktionsspannung gegen die Frequenz (bzw. der Steigung der Stromstärke) die Proportionalität und damit das Gesetz der Selbstinduktion.

Im Prinzip kann durch diese Messungen L bestimmt werden:
f = 200 Hz:     T = 1/200 S = 5 ms   Δt = T/2 = 2,5 ms    ΔUE = 5 V =>  ΔI = 5 mA  bei R = 1 kΩ   ΔI/Δt = 5 A/2,5 s  =  2 A/s => L = ΔUind/ΔI/dt  = 0,2 Vs/2 A = 0,1 H



Alternativ: Aperiodische Messung mit einem Rampen-Generator

Vielleicht empfinden Sie die Verwendung eines Funktionsgenerators zur Erzeugung einer Dreiecksspannung als Komplizierung der Fragestellung oder es steht Ihnen kein Funktionsgenerator zur Verfügung. Dann können Sie auch einen einfachen, vom Schüler auf dem gleichen Schaltbrett aufgebauten handbetätigten Rampen-Generator einsetzen. Dann müssen Sie nur einen Mess-Sketch bei veränderter Triggerung einsetzen, der den einmaligen Vorgang registriert.

Der Rampengenerator nutzt die Schaltung eines Ladungsmessers (auch wieder deutbar als Strompumpe), die einen Strom durch einen Kondensator pumpt. Solange am Eingang eine konstante Spannung anliegt, wird (in gewissen Grenzen) der Kondensator durch einen konstanten Strom geladen. Dabei steigt die Ladespannung linear an. Die linear veränderliche Ausgangsspannung des Rampengenerators (bzw. die Kondensatorspannung) dient als Steuerspannung für die zweite, eigentliche Strompumpe, die einen Dreiecksstrom durch die Spule pumpt.

Dem Eingangswiderstand des Rampengenerators wird über einen Taster entweder die Spannung von 2 hintereinander geschalteten Monozellen oder die positive Betriebsspannung der Operationsverstärker zugeführt.

Ein erneuter Tastendruck startet eine neue Messung, aber nur dann, wenn der Experimentator den Kondensator vorher durch gleichzeitiges Berühren beider Kontakte des Kondensators entladen hat. Der Körperwiderstand ist genügend groß, um den Kondensator relativ langsam zu entladen. An der zweiten Strompumpe entsteht so nur eine geringe Stromänderungsrate ΔI/Δt durch die Spule und für den ARDUINO werden zu hohe Induktionsspannungen verhindert.



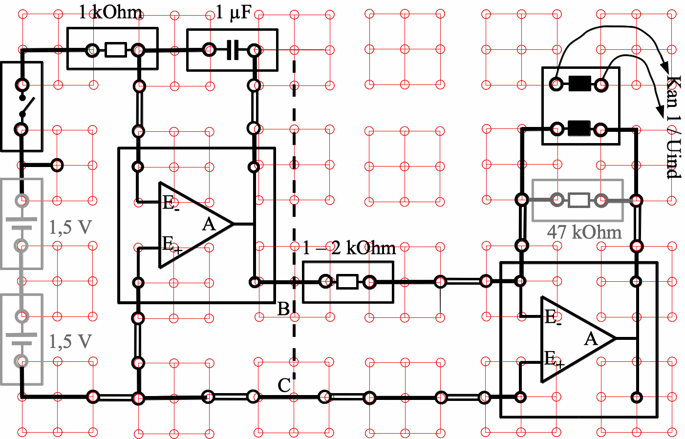
Abb. 8: Strompumpe mit Rampengenerator (Schaltung b):

DINA4-Auflageblatt für das Leybold-Rastersteckbrett zum sicheren Aufbau der Mess-Schaltung durch die Schüler im SV. Die gestrichelte Linie trennt Rampengenerator (links) und Strompumpe (rechts). Die Eingangsspannung für die Strompumpe könnte zwischen B und C gemessen werden (Kanal 2).

Auf jeden Fall muss die Induktionsspannung durch einen Pegelwandler in den nichtnegativen Bereich verschoben wird. Andernfalls droht Zerstörung des ARDUINO.

Siehe auch Spannungsversorgung


Vorgehensweise im Unterricht nach dem Konzept des"Forschenden Unterrichts"


(PL = Plenum; SV = Schülerversuch, möglichst "in gleicher Front"; HA = Hausaufgabe)

Selbstinduktion ist den Sch vertraut gemacht worden, u.a. mit dem Versuch zum "verzögerten Einschalten der Monsterspule" (630 H) (PL). Deutung als Induktionsvorgang (PL)

SV: Leuchtdiodenversuche (dort Abb. 12) mit der "Grundschaltung" zeigen Stromrichtung beim Ein- und Ausschalten an. Die Sch wundern sich, dass eine LED nie leuchtet ("kaputt?").

PL: Wozu wird in der Grundschaltung R2 benötigt? Hinweis auf SV "Zündfunke" (dort Abb. 11)

PL: Induktion erfordert einen sich zeitlich ändernden magnetischen Fluss. Dieser soll durch einen linear wachsenden und fallenden Strom (einem Dreiecksstrom) durch eine Spule erzeugt werden. Dazu wird eine Strompumpe vorgegeben. Ihre Funktion wird mit einigen Gleichstrommessungen nach Abb. 4 getestet. Ergebnis: Eingangsstrom = Ausgangsstrom. (Auf die Schaltungstechnik soll nicht eingegangen werden)

SV: Zeitabhängigkeiten von Induktionsspannung  (und evtl. Stromstärke) bei einem dreiecksförmigen Spulenstrom werden mit dem ARDUINO bei einer festen Frequenz (z.B. 200 Hz) registriert

PL: Sammeln der Ergebnisse: a) U konstant, solange sich der Spulenstrom I linear ändert, b) U hat unterschiedliche Vorzeichen bei wachsenden und fallendem Strom c) Je schneller sich die Spulenstromstärke I ändert, desto größer ist der Betrag der Selbstinduktionsspannung. Die Sch formulieren Hypothesen über den Zusammenhang zwischen U und ΔI/Δt.

SV: Test der Hypothese bei unterschiedlichen Frequenzen

PL: Formulierung des Ergebnisses: Änderungsgeschwindigkeit und Selbstinduktionspannung sind zueinander proportional, also |Ui| prop. | ΔI/Δt |. Die Proportionalitätskonstante wird Induktivität L genannt, also |Ui| = L·| ΔI/Δt |.

PL: Theoretische Deutung mit dem Induktionsgesetz: Uind = - A·ΔB/Δt. Wenn B prop. I => Uind prop. - ΔI/Δt. Definition der Induktivität L als Proportionalitätskonstante: L = | Uind / ΔI/Δt | .

PL/HA: Vermischte Aufgaben/Abschätzungen: Uind in Abhängigkeit von Frequenz, Änderungsrate von I, und L; Ermittlung der Induktivität L der verwendeten Spule


Wie kann die Stromänderung erreicht werden?

a) mit periodischer Dreiecksstrom

Die Sch bauen auf der Leybold-Rastersteckplatte die Strompumpe nach Schaltung (a) auf. Ein Funktionsgenerator wird an den Widerstand R am Eingangs angeschlossen.

b) aperiodischer Betrieb mit Rampengenerator und Strompumpe auf gemeinsamer Leybold-Rastersteckplatte nach Schaltung (b)

Durch Schließen des Tasters erzeugen die Sch eine linear wachsende Eingangsspannung für die Strompumpe. Durch Entladen des 1 µF-Kondensators über die Hand versetzen die Sch den Rampengenerator wieder in den Ausgangszustand.


c) aperiodischer Betrieb mit Rampengenerator und Strompumpe auf getrennten Leybold-Rastersteckplatten nach Schaltung (b)

Vielleicht sind Sie der Meinung, dass bei Schaltung (b) der Kern - die Strompumpe für den Spulenstrom - nicht genügend klar wird. Dann würde es vielleicht helfen, wenn Sie innerhalb einer Schüler-Arbeitsgruppe den Rampengenerator und die Strompumpe von unterschiedlichen Schülern getrennt aufbauen und durch zwei Kabel verbinden ließen.

Zur Dimensionierung: Bei L = 0,1 H erzeugt ein Stromänderungsrate ΔI/Δt = 1 A/s eine gerade noch gut messbare Induktionsspannung von |Uind| = |L·ΔI/Δt| = 0,1 V. Es sollte also eine Stromänderungsrate von 1 - 10 A/s angestrebt werden. Bei R = 2 kΩ und einem Hub der Eingangsspannung von 10 V (bei Spannungsänderung von -5 V bis 5 V; also Stromhub von 5 mA) ergibt sich bei einer Anstiegszeit τ des Stroms τ = 1 ms eine Stromänderungsrate ΔI/Δt = 10 mA/1 ms = 10 A/s. Man wird also eine Anstiegszeit τ des Stroms von typisch 1 ms (oder mehr) anstreben. Beim Rampengenerator (RG; bei Spannungsänderung von 0 V bis 5 V; also Stromhub von 2,5 mA) mit C = 1 μF und RRG = 1 kΩ ist τ gerade RRG·C = 1 ms. Das ist also eine geeignete Dimensionierung. Mit einem Funktionsgenerator erreicht man τ = 1 ms (halbe Periodendauer) bei f = 500 Hz, τ = 5 ms bei f = 100 Hz. Dementsprechend nimmt bei sonst gleichen Daten die Induktionsspannung mit zunehmendem τ ab.

Die Datensätze werden vom PC-Bildschirm des Arduino eigenen "Serial Monitor"  kopiert und in ein Tabellenkalkulationsprogramm (TBK) übertragen. Das Arduino-Programm trennt die Ausgabewerte für einen Messwert durch Kommas. Das wird vom TBK-Programm beim Einfügen der Daten erfragt. Die Messwerte werden in Abhängigkeit von der Zeit in einem t-x-Diagramm dargestellt. Die Anlage des Diagramms ist vorbereitet (ODS- oder XLS-Format) und wird nach Übertragung der Messdaten automatisch ausgefüllt.


Programme ("sketches")


Das Programm 2 bei Verwendung des Funktionsgenerators

Hier wird nur der Programm-Vorspann gezeigt. Das vollständige Listing finden Sie unter "prog2p_1k" oder leicht modifizierbar zu  "prog2p_2k".

/*

Liest Daten mit Werten im Bereich von 0 bis 1023 vom ANALOG INPUT Kanal A0 (oder optional zusätzlich A2) ein,
mit oder ohne Pegelanhebung für Wechselspannung, und speichert sie schnell im SRAM des Prozessors ab.

Dazu wird durch eine spezielle Triggerung in Kanal A0 dafür gesorgt, dass die Registrierung der Messwerte nach einem Tastendruck beim PC mit dem Abfall der Messspannung aus ihrem Maximalwert beginnt.

Die Daten werden als Paket von 300 Werten auf 5000 mV (bzw. an die an PIN18 des ARDUINO liegende
Vergleichsspannung) skaliert und dann seriell an den Serial Monitor ausgegeben.

In der Mess-Schaltung wird die Dreiecksspannung eines Funktionsgenerators an den Eingang einer Strompumpe gelegt (Eingangswiderstand 1 - 2  kΩ, z.B. Schülerversuchsspule mit L = 0,1 H).
Bei Verwendung von zweien dieser Bausteine sind Induktivitäten bis 0,8 H erreichbar. Bei Verwendung der Schülerversuchsspule
kann die Induktionsspannung auch mittels der 2. Wicklung gemessen werden.

Bei einkanaliger Messung wird für einen Messwert ca. 0,11 ms benötigt, bei zweikanaliger Messung für ein Paar von Messwerten ca. 0,22 ms.

Basis der Programmierung war ein Beispielprogramm:            http://www.arduino.cc/en/Tutorial/AnalogInOutSerial

*/

b) Zur Triggerung bei Verwendung des Rampengenerators

a) Schleife bis Induktionsspannung = 0

b) Schleife solange Induktionsspannung = 0

c) Messungen für Stromanstieg bis (evtl. halbe) Maximalzahl der Messwerte erreicht

Evtl. dann noch einmal entsprechend a) bis c) für den Stromabfall.


Technische Details zum ARDUINO

Abb. 9: Anschlüsse des Arduino Nano (Draufsicht Vorderseite)

Die Sch müssen  bei der Verbindung der rückseitigen Steckerpins mit der Messschaltung im Kopf spiegeln! Hier darf kein Fehler passieren! Die Mess-Schaltung wird über die Pins GND und z.B. A0 (rot) verbunden.

Es wird die Verwendung eines "under-shields" (Abb. 10) empfohlen

(Pin 27 und Pin 4 könnten zur Spannungsversorgung externer Schaltungen dienen, z.B. eines Pegelwandlers (OUT), oder zur Zuführung einer externen Spannung. Zwischen Pin 18 und Pin 4 kann die Referenzspannung für die AD-Wandler gemessen oder auch von außen zugeführt werden.)






Abb. 10: Das "under-shield", aufgebaut auf einer Lochraster-Platine. Es stellt - zusätzlich zu 2 Gleichspannungskanälen - einen 2-kanaligen Pegelwandler zur Verfügung.

Der ARDUINO wird in den grau gezeichneten Sockel gesteckt, der 2-kanalige Operationsverstärker TLC 272 in den achtpolige Sockel. Leiterbahn-Unterbrechungen (Draufsicht) sind links grün markiert. Die Betriebsspannung wird über den ARDUINO aus dem USB-Port bezogen. Mit dem Steckerpaar rechts oben kann sie weiterverwendet werden. Die beiden Steckerpaare (in0 und in2, unten) ermöglichen Wechselspannungsmessungen, die oberen beiden (in1 und in3) nur Gleichspannungsmessungen.

Abb. 11: Test des schnellen Messprogramms mit ca. 9000 Messungen pro s mit einer Dreiecksspannung von ca. 170 Hz

Die ungleichmäßigen Ecken entstehen dadurch, dass die gezeichneten Messpunkte im minimalen Zeitabstand von 0,11 ms miteinander verbunden wurden (pro Periode typischerweise ca. 51 Messungen). Schneller geht es wohl mit dem verwendeten Prozessor nicht.

Das Programm ist z.B. auch geeignet bis zu einigen 100 Hz.
T = 0,005 s => f = 200 Hz


Nicht eingezeichnet ist in allen Schaltungen mit dem OV der Abb. 3 - 8 die bipolare Spannungsversorgung des Operationsverstärkers (UB typisch +/- 5 V oder +/- 12 V)


Weitere Informationen


Das Buch

Physikalische Schülerversuche mit PC und Mikroprozessor - Wege zum forschenden Lernen,

2. deutlich erweiterte Auflage,

ist im Buchhandel erhältlich.

Viele der dort beschriebenen Versuche für den Prozessor ATMEGA32 lassen sich auch mit dem Arduino Nano durchführen, da dieser mit einem ähnlichen Prozessor ausgestattet ist. Allerdings wird dort als Programmiersprache AVISE-Forth verwendet. Die Software muss neu geschrieben werden, was aber leicht möglich ist.

Das Buch beschreibt viele weitere physikalische Versuche, Unterrichts-Konzepte und nützliche Details zu ergänzenden Hardware-Komponenten, z.B. zum Pegelwandler und zu Schutzdioden für ihn.




Bzgl. des Rampengenerators habe ich möglicherweise vor Jahrzehnten von Prof. Dr. D. Heuer gelernt.

(Juni / Dezember 2021)